倍加福电感式传感器:NMB5-12GM55-E0系列
![]() | 【产品特性】 |
●5 mm 齐平 ●不锈钢感应面 ●更远的工作距离 | |
|
倍加福电感式传感器NMB5-12GM55-E0系列采用电感式原理来实现物体的非接触式检测。其工作原理基于感应电磁场的变化,通过电感线圈产生的磁场与靠近的金属物体之间的相互作用来实现检测。当金属物体靠近传感器时,金属物体会引起电感线圈中的磁场发生变化,进而导致感应电压的改变。
传感器通过测量这种感应电压的变化来判断物体的存在与否,以及物体与传感器之间的距离。倍加福电感式传感器NMB5-12GM55-E0系列具有高精度、高灵敏度和高可靠性的特点,可广泛应用于工业自动化领域,如物体检测、位置控制和物体计数等。
电感式传感器NMB5-12GM55-E0倍加福相关型号:
NMB5-12GM55-E0,NMB5-12GM55-E2,NMB5-12GM65-E0-V1,NMB5-12GM65-E2-C4-V1,NMB5-12GM65-E2-C-V1,NMB5-12GM65-E2-V1,NMB5-12GM65-E3-V1,NMB5-12GM45-Z4-C4-300MM-V1,
NMB5-12GM45-Z9-C4-300MM-V1,NMB5-18GM55-E0-FE,NMB5-18GM55-E2-FE,NMB5-18GM55-E2-FE-5M,NMB5-18GM65-E0-FE-V1,NMB5-18GM65-E2-C-FE-V1,NMB5-18GM65-E2-FE-V1,
NMB5-18GM65-E2-NFE-V1,NMB5-18GM65-E3-FE-V1,NMB5-18GM65-Z0-FE-V1,NMB5-18GM65-Z0-NFE-V1,NMB5-18GM65-Z3-FE-V1,NMB5-18GM70-E2-FE-V94,NMB5-18GM80-US-FE,
NMB5-18GM85-US-C-FE-V12,NMB5-18GM85-US-FE-V12,NMB5-18GM85-US-FE-V93,NMB5-18GM55-Z0-C-FE-300MM-V1,NMB5-18GM55-Z3-C-FE-300MM-V1
——电感式传感器产品参数——



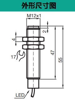
——电感式传感器产品尺寸——




